* La bibliografia non intende essere esaustiva, ma contiene tutti i riferimenti bibliografici associati a questo strumento nella banca dati di TROMOS.
Dopo la pubblicazione, nel 1895, della descrizione del microsismografo Vicentini diversi studiosi spronarono Giuseppe Vicentini alla realizzazione di uno strumento che, con gli stessi criteri di amplificazione e registrazione meccanica, si potesse applicare allo studio della componente verticale delle onde sismiche. Gli studi di Vicentini e del suo assistente Giulio Pacher su questo tipo di strumento proseguirono lentamente a causa dei numerosi impegni dei due sismologi in campi diversi da quello della progettazione strumentale. Concepito e realizzato nel 1897, il nuovo microsismografo per la componente verticale venne descritto nel 1899 sul "Bollettino della Società Sismologica Italiana".
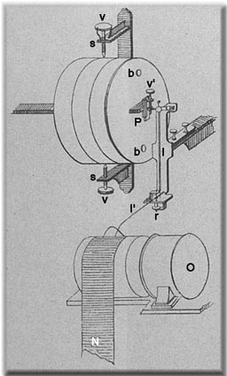
Abbandonata l'idea di utilizzare molle a spirale e masse pendolari sospese in modo tale da ridurre al minimo l'influenza delle accelerazioni orizzontali, il sismografo era basato sull'impiego di una molla piana fissata ad un estremo ad un fermo rigido connesso al muro. All'altro estremo la molla portava la massa. Quest'ultima era di grandezza elevata e sufficiente per vincere con il proprio peso l'inerzia e gli attriti delle leve moltiplicatrici. Inoltre il peso elevato dava il vantaggio di aumentare il periodo di oscillazione della molla. Per aumentare il più possibile il periodo venne utilizzata una molla molto lunga, ricavata e modificata dalla balestra di una carrozza ferroviaria, di 1,5 metri, larga 75 mm. e con spessore decrescente da 10 mm. nella parte fissa a 7 mm. nella parte collegata alla massa.
La molla m era fissata da una parte ad un fermo di ghisa incastrato nel muro con un'angolazione tale che la molla sotto l'azione del peso, al suo estremo libero, assumesse una posizione orizzontale. La massa era formata da tre dischi di piombo, rigidamente uniti tra loro tramite due bulloni (b), dal peso complessivo di 45 chilogrammi.
L'escursione del movimento della massa era limitato da due viti (v) sostenute da due traverse orizzontali (s) connesse ad una spranga verticale di ferro avvitata al muro.
Il sistema di amplificazione e di registrazione era costituito da due leve di alluminio: la prima (l) ad angolo aveva la funzione di moltiplicare il movimento verticale della massa e contemporaneamente di trasformarlo in movimento orizzontale; la seconda leva (l'), anch'essa moltiplicatrice andava con la sua parte estrema, sulla quale era montata una striscia di vetro, a registrare sulla carta affumicata.
Un ago di acciaio era montato su un supporto (P) rettificabile che mediante due viti era fissato all'estremità della molla. L'ago penetrava in una guida a forma di cruna d'ago formata da due aghi di acciaio paralleli saldati. Le leve l ed l' erano tra loro collegate mediante un sistema del tutto analogo. La leva l poteva essere alzata ed abbassata mediante la regolazione di un vite di richiamo r. Il sostegno (P) dell'ago era dotato di una vite di rettifica v' che serviva per spostare l'ago in modo da mantenerlo ad un'altezza costante e regolare quindi la giusta posizione della leva l' e della pennina scrivente rispetto al nastro di carta affumicata. Questo risultava utile in occasione di forti escursioni termiche o nei cambi stagionali. Vicentini studiando gli effetti dalla temperatura sullo strumento calcolò uno spostamento di 1.5 mm. della pennina scrivente per una variazione di temperatura di 0.1 gradi.
Il nastro di carta affumicata (N), che ruotava intorno ad un tamburo ad asse orizzontale, era messo in movimento da un meccanismo ad orologeria (O) posto sopra una mensola al di sotto dello strumento.
Lo strumento si rivelò fin troppo efficiente; dai primi giorni di installazione (agosto 1897) l'apparecchio registrò il passaggio di carri sulla strada antistante l'osservatorio e le vibrazioni prodotte dal motore a gas dell'Istituto di Fisica. Il primo apparecchio di prova, con caratteristiche leggermente diverse da quello descritto, possedeva un periodo di 0.8 secondi con una molla di 75 centimetri dello spessore di 10 mm. e larghezza di 65 mm. Questo modello effettuò la sua prima registrazione in occasione del terremoto di Firenze del 6 settembre 1897. Il modello definitivo con le caratteristiche dette sopra, messo in funzione il 6 febbraio 1898, aveva un periodo di 1.2 secondi ed un ingrandimento di circa 130 volte con una velocità di avanzamento carta di 24 mm. al minuto.
Brevi cenni sull'organizzazione del Servizio Sismico in Italia con l'elenco dei principali osservatori sismici italiani, in "Bollettino della Società Sismologica Italiana (1908-1909), Vol.XIII, pp.41-74.
Modena 1908
Sul comportamento del microsismografo a molla orizzontale per la componente verticale in occasione di terremoti lontani, in "Bollettino della Società Sismologica Italiana" (1901-1902), Vol. VII, pp.266-275.
Modena 1901
(Last update on: 26/04/00)